Home
About
Services
Mechanical Engineering
Concrete Structures
Steel Structures
Industrial Machines
Automation & Robotics
Electrical Systems
Control Systems
Collaborative Robotics
CAE & CFD Simulations
CAE Simulations
CFD Simulations
3D Technologies
3D Scanning
3D Printing
Projects
Depressurization tools Pimasa S.L.
Odalys Campus
Fasteners for Tecma Drive
PV for Cox-Abengoa
PV-Home
Polymer-Print
Products
Cap ends for structural tubes
Photovoltaic container AT45
Carports
Photovoltaic Carports
Contact
Handbooks
Bolted Circular Flange
Gears
Metric Fasteners
Inch Fasteners
Hydraulic Threads
Beam Handbook
Steel Profiles
Turbulent Flow
Welds
Fatigue
Pressure drop for thin perforated plates
Blog
(+34) 605 304 564
Tag: preload
Home
Atreydes-Blog
preload
14/08/2024
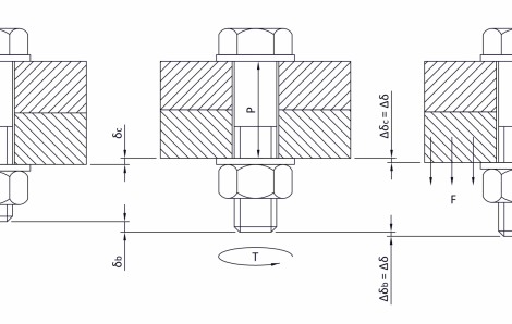
Tensile stress in preloaded bolts
See More
Search
Search for:
Search
Categories
Automatization
1
Engineering
16
Simulation
13
Tag Cloud
Bolts
(1)
buffeting
(2)
CFD Simulation
(1)
Civil Engineering
(1)
dampers
(1)
design
(3)
fluttering
(8)
maritime
(1)
preload
(1)
solar trackers
(9)
suction sails
(1)
torsional divergence
(4)
torsional galloping
(3)
vortex shedding
(3)
Wind Engineering
(1)
Projects
Depressurization tools Pimasa S.L.
Engineering
,
Simulations
Odalys Campus
Engineering
,
Simulations
Fasteners for Tecma Drive
Engineering
PV for Cox-Abengoa
Engineering
,
Simulations
About us
More than 10 years of experience in engineering, applying synergy of several technical areas together with new technologies to guarantee the success of our customers.
Downloads
Presentation Brochure
Search for:
Search
Hit enter to search or ESC to close
Home
About
Services
Mechanical Engineering
Concrete Structures
Steel Structures
Industrial Machines
Automation & Robotics
Electrical Systems
Control Systems
Collaborative Robotics
CAE & CFD Simulations
CAE Simulations
CFD Simulations
3D Technologies
3D Scanning
3D Printing
Projects
Depressurization tools Pimasa S.L.
Odalys Campus
Fasteners for Tecma Drive
PV for Cox-Abengoa
PV-Home
Polymer-Print
Products
Cap ends for structural tubes
Photovoltaic container AT45
Carports
Photovoltaic Carports
Contact
Handbooks
Bolted Circular Flange
Gears
Metric Fasteners
Inch Fasteners
Hydraulic Threads
Beam Handbook
Steel Profiles
Turbulent Flow
Welds
Fatigue
Pressure drop for thin perforated plates
Blog