Tensile stress in preloaded bolts
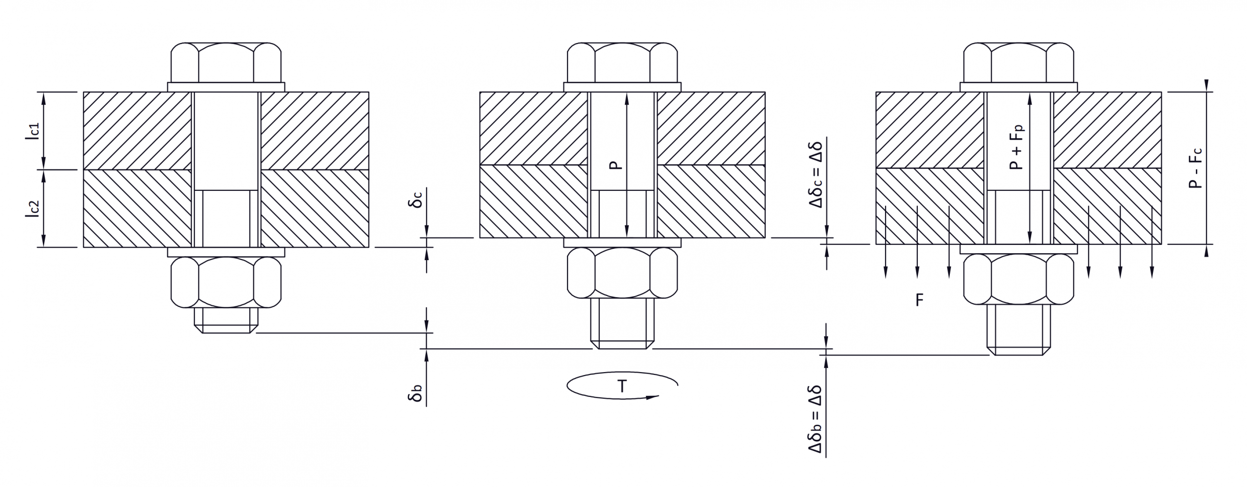
A preloaded bolt joining two or more parts is subjected to a preloading force ( P ) which is used to elongate the bolt ( P_b ) and compress the connecting elements ( P_c ).
P = P_b + P_c

When a preloading force is applied, the bolt deforms a positive length ( \delta_b ), it lengthens, and in the same time, the connecting parts deform a negative length ( \delta_c ), they shorten.
\delta_b = \Large \frac{P_b}{K_b}
\delta_c = \Large \frac{P_c}{K_c}
Where:
- K_b : bolt stiffness constant
- K_c : stiffness constant of the joining parts

When an external load ( F ) is applied through the joint parts, the bolt elongates again by a new shifting ( \Delta \delta_b ) due to a force F_b and the parts are to decompress by a negative shift ( -\Delta \delta_c ) caused by a force F_c .
Since the joint is in state of equilibrium it follows that:
F = F_b + F_c
\left | \Delta \delta_b \right | = \left | \Delta \delta_c \right | = \Delta \delta
Applying the equations relating load to displacement in the elastic domain, we have that:
\Delta \delta_b = \Large \frac{F_b}{K_b}
\Delta \delta_c = \Large \frac{F_c}{K_c}
Substituting:
\Delta \delta = \Large \frac{F_b}{K_b} \normalsize = \Large \Large \frac{F_c}{K_c}
F_b = K_b \Large \frac{F_c}{K_c}\normalsize = K_b \Large \frac{F-F_b}{K_c}
F_b = \Large \frac{K_b}{K_b+K_c}\normalsize F = C F
With C as the joint stiffness constant:
C = \Large \frac{K_b}{K_b+K_c}
In analogy for F_c we have that:
F_c = \Large \frac{K_c}{K_b+K_c}\normalsize F = (1- C) F
To calculate the joint stiffness constant ( C ), we must first determine the bolt stiffness constant ( K_b ) and the joint element stiffness constant ( K_c ). In our post Preloaded bolted joint stiffness the reader can find estimations of these parameters.

The final load on the bolt ( F_t ) and on the connecting elements ( F_e ) after applying an external load ( F ) with a preload ( P ) are:
F_t = P+CF
F_e = P-(1-C)F
Preload
Normally a preload ( P ) is selected between:
P_{min} \leq 0.6 A S_y \leq P \leq 0.8 A S_y \leq P_{max}
With high preload values so that the bolts do not tend to loosen due to vibration:
P = 0.75 A S_y
| Grade | Yield limit (Sy) [MPa] | Tensile limit (Su) [MPa] |
|---|---|---|
| 5.8 | 400 | 500 |
| 8.8 | 640 | 800 |
| 10.9 | 900 | 1000 |
| 12.9 | 1080 | 1200 |
It is the minimum preload ( P_{min} ) so that the separation of the joint elements due to the external tensile force ( P ) does not occur. This condition is met when:
\Delta \delta_c = \delta_c
\Large \frac{F_c}{K_c}\normalsize = \Large \frac{P_c}{K_c}
P_{min} = F_c = \Large \frac{K_c}{K_b+K_c} \normalsize F = (1-C)F
External static loads
It is the maximum preload that the bolt can withstand ( P_{max-s} ) so that it does not reach its yield limit ( S_y ) when it is working at a tensile load ( F_b ), therefore:
F_y = P_{max-s} + F_b
P_{max-s} = S_y A - C F
Where:
- F_y : force in the yield limit
- A : bolt resistant section
Alternating loads in fatigue
It is the maximum preload that the bolt can withstand ( P_{max-f} ) for fatigue to occur at infinite life, i.e. over 10^6 cycles, for an external tensile load ranging from zero to the F value.
To calculate the fatigue failure, we have to determine the mean ( \sigma_m ) and alternating stress ( \sigma_a ) on the bolt. For more information, please see our Fatigue handbook:
\sigma_a = \Large \frac{\sigma_{max} - \sigma_{min}}{2} \normalsize
\sigma_m = \Large \frac{\sigma_{max} + \sigma_{min}}{2} \normalsize
With:
\sigma_{min} = \Large \frac{P}{A}
\sigma_{max} = \Large \frac{P+F_b}{A}
We have that:
\sigma_a = \Large \frac{(P+F_b)-P}{2A} \normalsize = \Large \frac{F_b}{2A} \normalsize = \Large \frac{C F}{2A}
\sigma_m = \Large \frac{F_b+P}{2A} \normalsize + \Large \frac{2P}{2A} \normalsize = \Large \frac{CF}{2A}\normalsize + \Large \frac{P}{A}
Using Goodman’s criterion in the fatigue calculation for infinite life defined in our Fatigue handbook:
\Large \frac{\sigma_a}{S_e} \normalsize + \Large \frac{\sigma_m}{S_u} \normalsize = 1
P_{max-f} = S_u A - \Large \frac{CF}{2} \left(\frac{S_u}{S_e}\normalsize + 1 \right)

